2 stanza appartamento a Milano
-
Area
- 62 m²
-
Tipo di proprietà
- Appartamento
-
Stanze
- 2 stanze
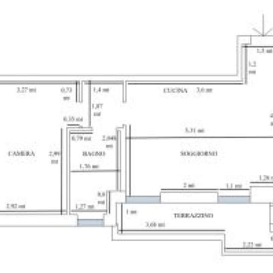
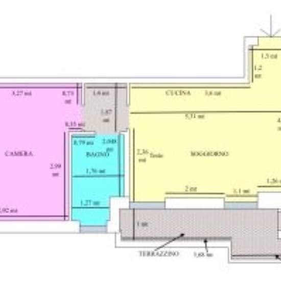
Via Varesina - In stabile signorile di moderna costruzione con giardino condominiale proponiamo appartamento arredato con terrazzo all'ultimo piano di mq 62 composto da: ingresso, soggiorno con cucina a vista, camera, bagno, terrazzo e cantina e box. Contratto di locazione a società. L’immobile è in ottime condizioni, è situato all’ottavo piano, con esposizione doppia angolare interna sul giardino, il che lo rende molto luminoso e silenzioso. L’appartamento è dotato di porta blindata, finestre con doppi vetri e scuri in legno; aria condizion...
- Affitto
- 1.200 € al mese
- Posizione
- 20156, Milano
- Periodo di affitto
- -
- Proprietario verificato
- Sì
- Data
- 14 giorni fa
- Disponibile
- Contatta il proprietario
- Utenze
- Contatta il proprietario
- Deposito
- Contatta il proprietario
- Affitto anticipato
- Contatta il proprietario
Posizione